产品名称:燃气电磁阀
产品型号:ZCRB
关键字标签:ZCRB燃气电磁阀
ZCRB紧急切断燃气电磁阀在城市或工厂的燃气供应管网内安装此系列燃气快速切断阀,可在中央控制室内集中控制,远距离遥控紧急关闭事故现场的管线燃气供应。燃气管路系统检修、排除故障时切断燃气。
ZCRB紧急切断燃气电磁阀与可燃气体泄漏检测仪连接。当仪器检测到可燃气体泄漏时,自动、快速关闭主供气阀门,切断燃气的供给,及时制止恶性事件的发生。与热力设备的极限温度(压力)安全控制器连接,当设备内检测点的温度或压力超过设定极限数值,自动关闭供气阀门,停止燃气供给。与高层建筑的中央消防报警系统连接,当大厦发生火警时,自动切断大厦内的燃气供应,防止煤气爆炸的发生。
燃气电磁阀产品,请您根据燃气电磁阀参数直接与我们销售中心订购。当您使用的场合非常重要或者环境比较复杂时,请您提供设计图纸和详细参数,我们的工程师专家会专心为您审核与分析。我们立志成为世界领先的阀门制造商。
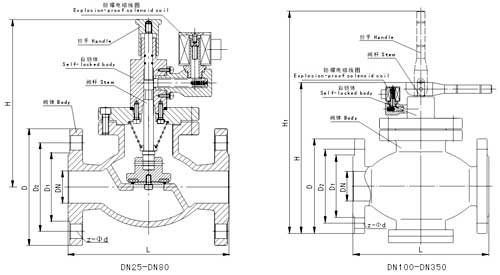
燃气电磁阀安装尺寸:

公称通径 DN(mm) | 尺 寸(mm) | 管接头 | |||||||||
D | D1 | D2 | d2 | f2 | b | L | H | H1 | Z-фd | ||
50 | 160 | 125 | 100 | 88 | 4 | 20 | 230 | 346 | 359 | 4-18 | R1/4 |
65 | 180 | 145 | 125 | - | - | - | 290 | 337 | 354 | - | |
80 | 195 | 160 | 135 | 121 | 4 | 22 | 310 | 445 | 465 | 8-18 | |
100 | 230 | 190 | 160 | 150 | 4.5 | 24 | 350 | 590 | 623 | 8-22 | |
150 | 300 | 250 | 218 | 204 | 4.5 | 28 | 444 | - | 580 | 8-25 | R1/2 |
200 | 360 | 310 | 278 | 260 | 4.5 | 30 | 559 | - | 645 | 12-25 | |
250 | 425 | 370 | 332 | 313 | 4.5 | 32 | 622 | - | 750 | 12-30 | |
300 | 485 | 430 | 390 | 364 | 4.5 | 36 | 711 | - | 1100 | 16-30 | |
350 | 550 | 490 | 448 | 422 | 5 | 40 | 838 | - | 1380 | 16-34 | |
COPYRIGHT © 2022